Корзина пуста
Опорно-поворотное устройство KDD.I.40.2500.00.12
KDD.I.40.2500.00.12
Что мы предлагаем
- — Техническую консультацию по всем видам ОПУ
- — Конструктивное решение и расчет
- — Демонтаж и монтаж с проверкой
- — Выезд специалиста
- — Разработку конструкции и чертежа
Наши преимущества
- — Гарантия до 24 месяцев
- — Оповещение по SMS
- — Возврат и обмен в случае брака
- — Различные способы оплаты
- — Лучшая цена
Варианты оплаты
Доставка
Войдите в учётную запись, чтобы мы могли сообщить вам об ответе
Опорно-поворотное устройство KDD.I.40.2500.00.12. Предлагаем вам изготовить точную копию ОПУ. Срок исполнения 2 месяца. Гарантия на изделие 2 года. Так же напоминаем вам, что мы можем изготовить ОПУ индивидуально согласно вашего чертежа или образца опорно-поворотного утсройства.
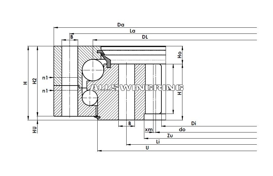
Размеры ОПУ
Высота зуба:
100
Высота общая:
156
Зацепление:
Внутреннее
Количество внутренних отверстий:
72
Количество наружных отверстий:
72
Количество рядов:
Двухрядный
Внешний диаметр:
2639
Внутренний диаметр:
2256.8
Высота:
150
Модуль:
14
Вес:
1260
Количество зубьев:
162
Информация по технике
Производитель:
RODRIGUEZ
Сообщения не найдены