Корзина пуста
Опорно-поворотное устройство Rotis 2054.30.30.0-0.0955.00
2054.30.30.0-0.0955.00
Что мы предлагаем
- — Техническую консультацию по всем видам ОПУ
- — Конструктивное решение и расчет
- — Демонтаж и монтаж с проверкой
- — Выезд специалиста
- — Разработку конструкции и чертежа
Наши преимущества
- — Гарантия до 24 месяцев
- — Оповещение по SMS
- — Возврат и обмен в случае брака
- — Различные способы оплаты
- — Лучшая цена
Варианты оплаты
Доставка
Войдите в учётную запись, чтобы мы могли сообщить вам об ответе
Опорно-поворотное устройство Rotis 2054.30.30.0-0.0955.00. Предлагаем вам изготовить точную копию ОПУ. Срок исполнения 2 месяца. Гарантия на изделие 2 года. Так же напоминаем вам, что мы можем изготовить ОПУ индивидуально согласно вашего чертежа или образца опорно-поворотного устройства.
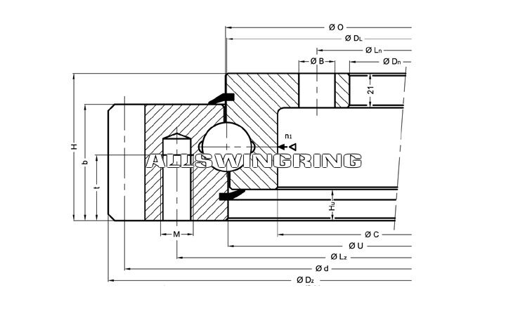
Размеры ОПУ
Высота зуба:
71
Высота общая:
90
Зацепление:
Наружное
Количество внутренних отверстий:
30
Количество наружных отверстий:
30
Количество рядов:
Однорядный
Внешний диаметр:
1098
Внутренний диаметр:
805
Модуль:
9
Вес:
165
Количество зубьев:
120
Информация по технике
Производитель:
Rotis
Сообщения не найдены