Корзина пуста
Опорно-поворотное устройство 2040.20.20.0-0.1094.00
2040.20.20.0-0.1094.00
Что мы предлагаем
- — Техническую консультацию по всем видам ОПУ
- — Конструктивное решение и расчет
- — Демонтаж и монтаж с проверкой
- — Выезд специалиста
- — Разработку конструкции и чертежа
Наши преимущества
- — Гарантия до 24 месяцев
- — Оповещение по SMS
- — Возврат и обмен в случае брака
- — Различные способы оплаты
- — Лучшая цена
Варианты оплаты
Доставка
Войдите в учётную запись, чтобы мы могли сообщить вам об ответе
Опорно-поворотное устройство 2040.20.20.0-0.1094.00. Предлагаем вам изготовить точную копию ОПУ. Срок исполнения 2 месяца. Гарантия на изделие 2 года. Так же напоминаем вам, что мы можем изготовить ОПУ индивидуально согласно вашего чертежа или образца опорно-поворотного утсройства.
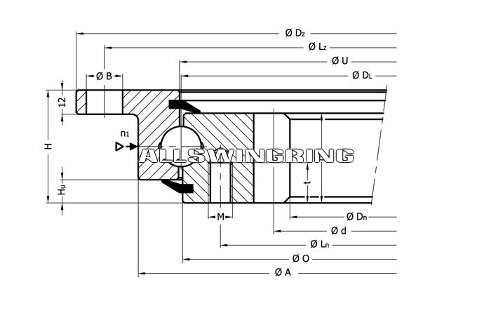
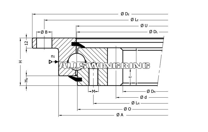
Размеры ОПУ
Высота зуба:
45,5
Высота общая:
56
Зацепление:
Внутреннее
Количество внутренних отверстий:
24
Количество наружных отверстий:
24
Количество рядов:
Однорядный
Внешний диаметр:
1198
Внутренний диаметр:
985,6
Модуль:
8
Вес:
80,7
Количество зубьев:
125
Информация по технике
Производитель:
Rotis
Сообщения не найдены