9/9

Опорно-поворотное устройство 2052.10.30.0-0.1455.00

2052.10.30.0-0.1455.00
под заказ
Свяжитесь с нами насчёт цены
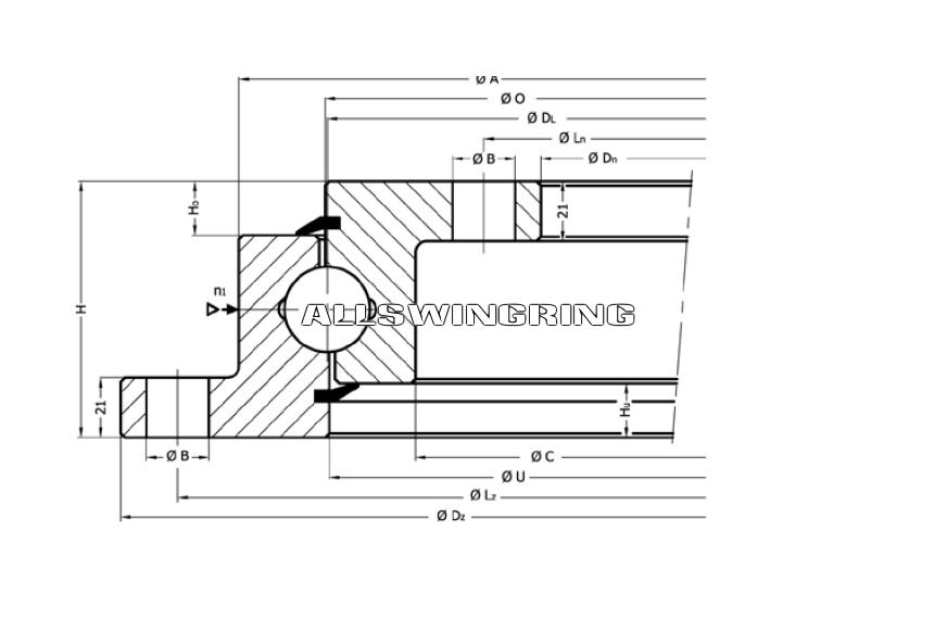
Высота общая90 ЗацеплениеБез зацепления Количество внутренних отверстий48 Количество наружных отверстий48 Количество рядовОднорядный Внешний диаметр1600 Внутренний диаметр1305 Вес200 ПроизводительRotis
shareПоделиться
Что мы предлагаем
  • — Техническую консультацию по всем видам ОПУ
  • — Конструктивное решение и расчет
  • — Демонтаж и монтаж с проверкой
  • — Выезд специалиста
  • — Разработку конструкции и чертежа
Наши преимущества
  • — Гарантия до 24 месяцев
  • — Оповещение по SMS
  • — Возврат и обмен в случае брака
  • — Различные способы оплаты
  • — Лучшая цена
Варианты оплаты
Доставка
Опорно-поворотное устройство 2052.10.30.0-0.1455.00. Предлагаем вам изготовить точную копию ОПУ. Срок исполнения 2 месяца. Гарантия на изделие 2 года. Так же напоминаем вам, что мы можем изготовить ОПУ индивидуально согласно вашего чертежа или образца опорно-поворотного устройства.

Размеры ОПУ

Высота общая:
90
Зацепление:
Без зацепления
Количество внутренних отверстий:
48
Количество наружных отверстий:
48
Количество рядов:
Однорядный
Внешний диаметр:
1600
Внутренний диаметр:
1305
Вес:
200

Информация по технике

Производитель:
Rotis
Найти похожие

Сообщения не найдены

Написать отзыв
Возможно вас заинтересуют